KR2400

Modern Residential Complex
Przemysł Powietrze Specjalne wykonanie

Przepusty obrotowe OR2400

Produkt został zaprojektowany do ciągłej pracy w dźwigach do przeładunku statków, zapewniając niezawodność w wymagających warunkach portowych.

Dostępne są również inne złącza o specjalnych parametrach, wykonywane na zamówienie.

Media woda
Max. temp 40°C
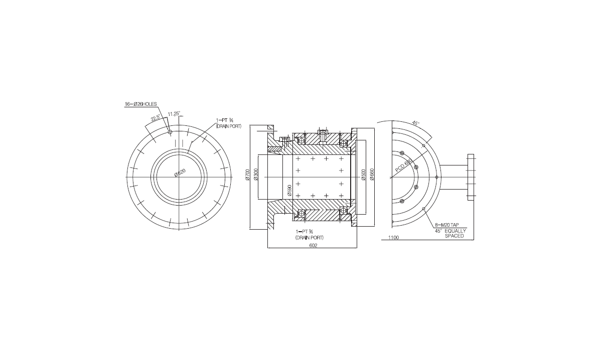
Wielkość Ø200~Ø300
Max. prędkość obrotowa 1 obr./min
OR2400
OR2400

Opis

Produkt został zaprojektowany do ciągłej pracy w dźwigach do przeładunku statków, zapewniając niezawodność w wymagających warunkach portowych. Dostępne są również inne złącza o specjalnych parametrach, wykonywane na zamówienie. Opcjonalnie można wyposażyć urządzenie w system grzewczy chroniący przed zamarzaniem, co umożliwia pracę w niskich temperaturach. Wykonywany jest zgodnie ze specyfikacją zamówienia klienta. Możliwe jest zamontowanie urządzeń izolacyjnych w celu ochrony przed zamarzaniem w trudnych warunkach klimatycznych.

Ograniczenia i środki ostrożności:

Dotyczy dźwigów do przeładunku materiałów sypkich w portach.

Specyfikacja techniczna

Zakres wielkości Ø200~Ø300
Max. ciśnienie 30 kgf/cm² (29,42 bara)
Max. prędkość obrotowa 1 obr./min
Max. temperatura 40°C (104°F)
Na zamówienie